登录
|
注册
繁体
首页
政务动态
政务公开
政务服务
政民互动
专题专栏
走进昭苏
当前位置:
首页
>
政务公开
>
政府信息公开
>
政府信息公开年报
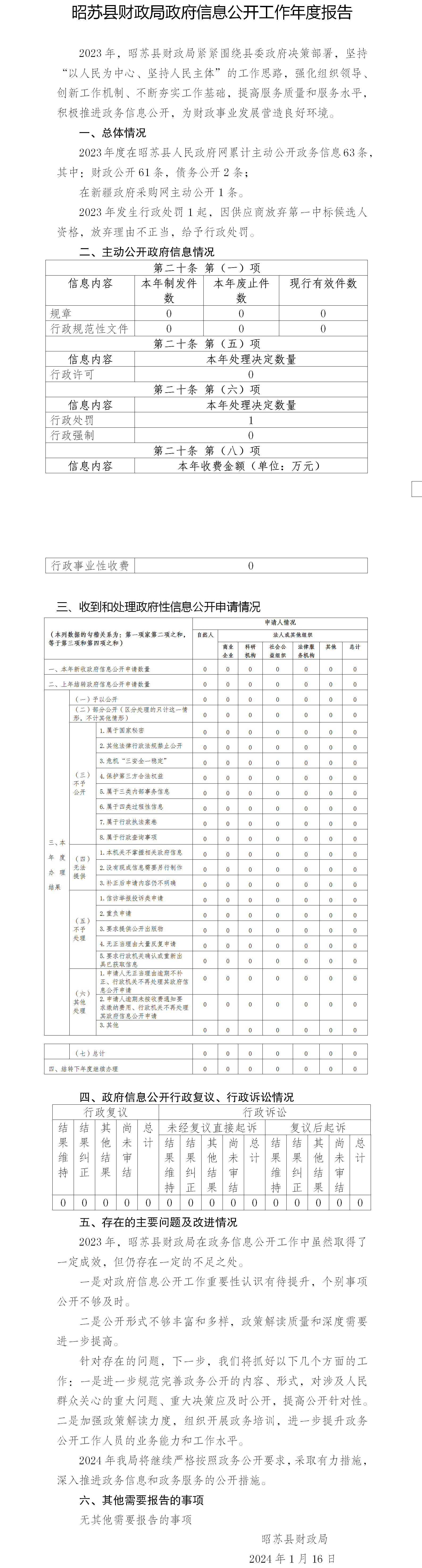
昭苏县财政局2023年政府信息公开工作年度报告
文章来源: 昭苏县财政局
发布时间: 2024-01-23 11:53
浏览量:
【字体:
大
中
小
】
打印本文
关联稿件:
扫一扫在手机打开当前页